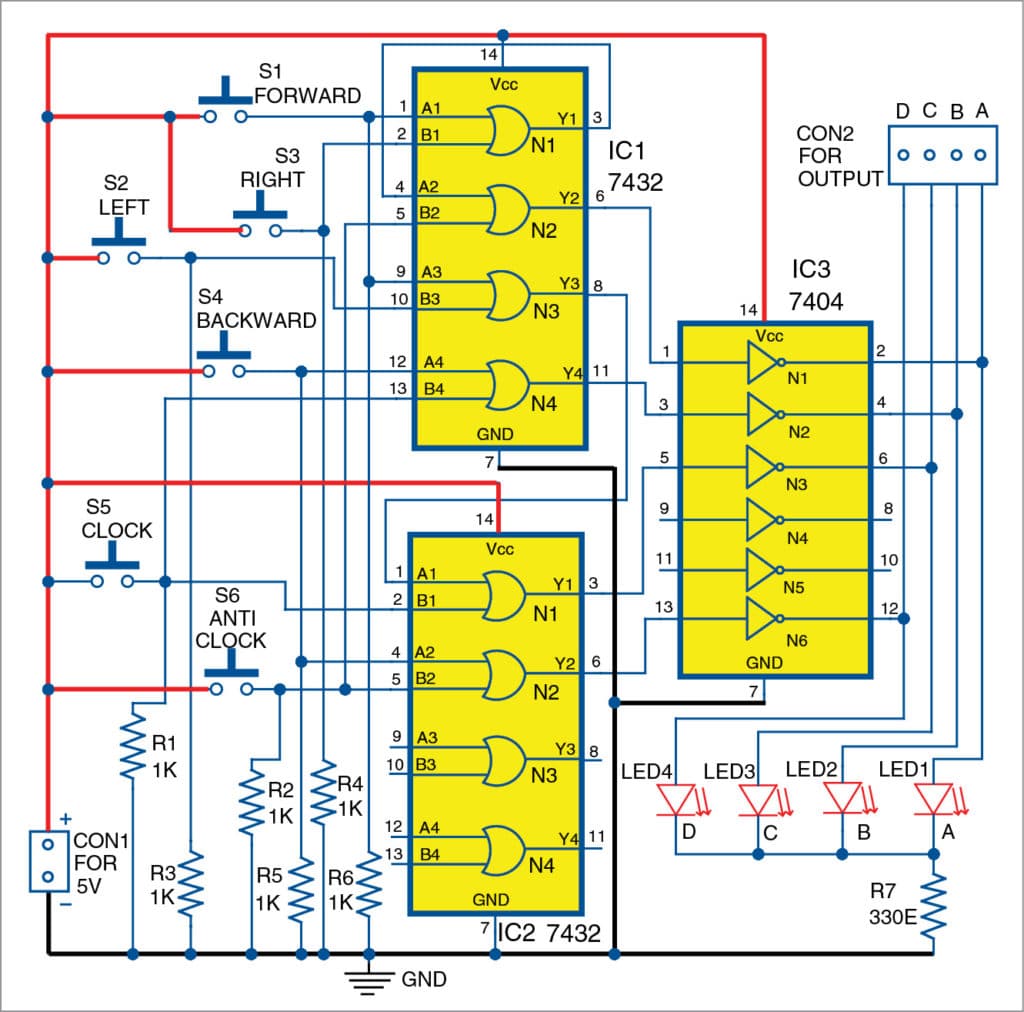
Controlled Industrial Automation System Electro DSM Circuit Diagram Arduino Joystick 2 Dc Motor Control : Arduino Joystick 2 dc motor control Youtube Video Documents This post shows how to control a DC motor speed and direction of rotation using Arduino uno, joystick and L293D motor driver. The joystick (PS2 Joystick) consists of two potentiometers (one for the X-axis and the other for the Y-axis) and a push-button. With one potentiometer we can control the speed and rotation direction of a DC motor.

In many of the applications it is required to alter the direction of DC motor instantly. Like in washing machine, mixer, drilling machine winding - rewinding machine etc. Changing the direction of DC motor using joystick is most suitable and handy method.In industries the joystick control is most preferable way to control machinery that is operated with DC motor. The best example is 3 axis Inside, there is a pretty simple set-up: a small DC motor, a potentiometer (a variable resistor), and a control circuit. The motor is attached by gears to the control wheel. As the motor rotates, the potentiometer's resistance changes, so the control circuit can precisely regulate how much movement there is and in which direction. This is a joystick-controlled motor driving system. An Arduino UNO reads inputs from an Adafruit Arcade Joystick and outputs control signals to BTS7960 motor drivers, which in turn power several 12V geared motors. The system is designed for directional control of motors, suitable for applications such as robotic vehicles or motorized platforms.

Using an Analog Joystick with Arduino: Complete Guide Circuit Diagram
up/down controller, TV up/down controller are few application examples. The board provides superb performance, smooth movement of motor, and hassle-free use. You only need to connect the motor wires, power the board, and you ready to go.The controller has 3 main elements, Atmega328 Micro-Controller, LMD18201 DC Motor H-bridge, and Joystick How Analog joysticks Work. A typical analog joystick module consists of two potentiometers and a pushbutton: X-Axis Potentiometer: Detects left and right movement.; Y-Axis Potentiometer: Detects up and down movement.; Pushbutton: Activated when the joystick is pressed down.; When you move the joystick in any direction, the position changes the resistance of the two potentiometers.

๐ Want to control a DC motor using a joystick and Arduino? This step-by-step tutorial will show you how to connect and program an Arduino with a joystick mo

How to control DC motor speed & direction using a joystick and Arduino Circuit Diagram
Additionally, the further away from the center the joystick is pushed (in either direction), the faster the motor speed will be in that same direction. So, users can control the DC motor speed in this way. The joystick control method for DC motors is currently used in several different applications, including as: 1.